En continuant votre navigation, vous acceptez l'utilisation de cookies tiers pour la sécurisation du site et pour les paiements via PayPal.
Nous n'utilisons aucun cookie publicitaire. En savoir plus
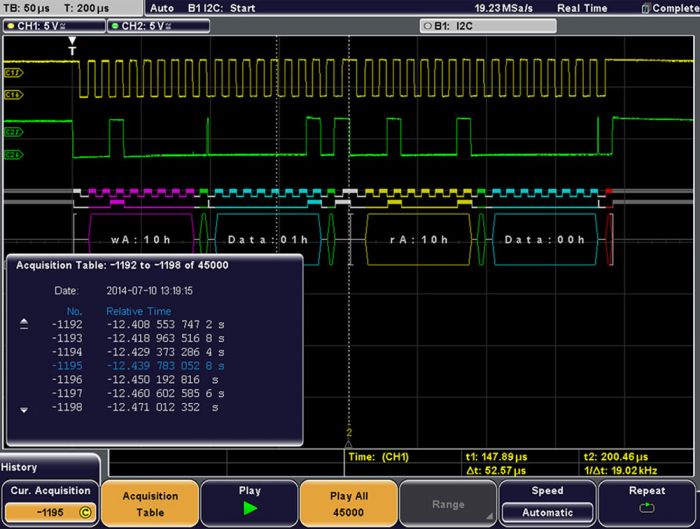
RTM3-K15 | Option historique et segmentation de la mémoire pour RTM3000
ROHDE
Disponibilité : Ce produit est en cours d'approvisionnement. Vous pouvez l'ajouter dans votre panier afin d'effectuer une demande de devis et connaître son délai de livraison.
1 740,00 € 1 450,00 €


